1D2NX-25-12

Metric male 24°
Verfügbarkeit: 3 Stk. lagernd
Artikelnummer: 1016922
Lieferzeit: sofort
56,00 €
exklusive Versand
Produktspezifikation
AttributbezeichnungAttributwert
Schlauch I.D. (mm)19
Gewindemass Anschluss (mm)36x2
Gewindemass Anschluss (Zoll)
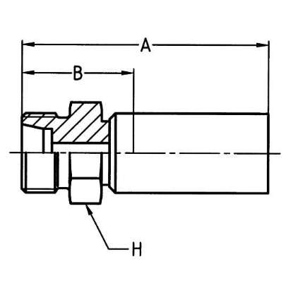
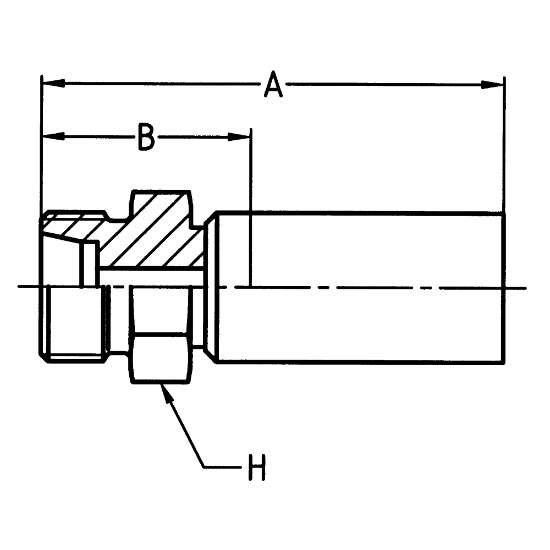
Fitting Length90 mm (see Drawing legend A)
Anschluss 1 TypHose
Sechskantgröße36 mm (see Drawing legend H)
Drop Lengthn/a
MarkeParker
GehäusematerialGalvanised steel
IndustrieIndustrial Manufacturing Equipment
Schlauch-Nenninnendurchmesser19
BeschichtungChromium 6 Free-plated
ProdukttypUltra-High Pressure Fittings
TechnologieFluid & Gas Handling
KonfigurationHose to Port
DivisionPolymer Hose Division Europe
FormStraight
AnschlusstypDKOS
Erfüllte SpezifikationenISO 12151-2-S-S
Rohraußendurchmesser25 mm
Größe Anschluss 2M36x2
Connection Length39 mm (see Drawing legend B)