1C9NX-8-04

Metric female swivel 24° with O-ring
Verfügbarkeit: Bestellartikel
Artikelnummer: 1016160
Lieferzeit: sofort
16,54 €
exklusive Versand
Produktspezifikation
AttributbezeichnungAttributwert
Schlauch I.D. (mm)6.4
Gewindemass Anschluss (mm)16x1.5
Gewindemass Anschluss (Zoll)
Drop Lengthn/a
Rohraußendurchmessern/a
Anschluss 1 TypHose
MarkeParker
IndustrieIndustrial Manufacturing Equipment
GehäusematerialGalvanised steel
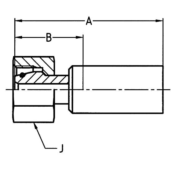
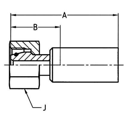
Sechskantgröße19 mm (see Drawing legend J)
Schlauch-Nenninnendurchmesser6
Fitting Length60 mm (see Drawing legend A)
BeschichtungChromium 6 Free-plated
TechnologieFluid & Gas Handling
KonfigurationHose to Port
DivisionPolymer Hose Division Europe
ProdukttypUltra-High Pressure Fittings
FormStraight
AnschlusstypDKOS
Erfüllte SpezifikationenISO 12151-2-SWS-S
Größe Anschluss 2M16x1.5
Connection Length28 mm (see Drawing legend B)