1C9NX-30-16

Metric female swivel 24° with O-ring
Verfügbarkeit: Bestellartikel
Artikelnummer: 1016167
Lieferzeit: 10 Tage
66,53 €
exklusive Versand
Produktspezifikation
AttributbezeichnungAttributwert
Schlauch I.D. (mm)25.4
Gewindemass Anschluss (mm)42x2
Gewindemass Anschluss (Zoll)
Rohraußendurchmesser30 mm
GehäusematerialGalvanised steel
Anschluss 1 TypHose
Drop Lengthn/a
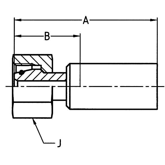
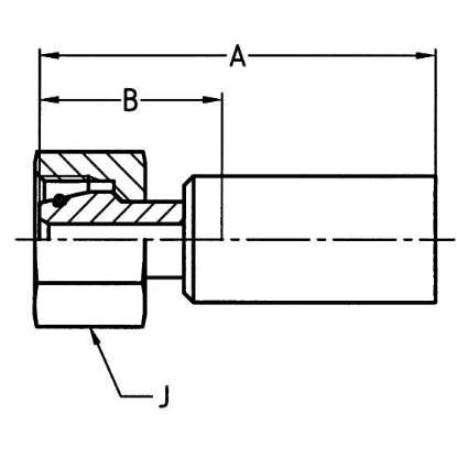
Fitting Length98 mm (see Drawing legend A)
Schlauch-Nenninnendurchmesser25
Sechskantgröße50 mm (see Drawing legend J)
IndustrieIndustrial Manufacturing Equipment
MarkeParker
BeschichtungChromium 6 Free-plated
ProdukttypUltra-High Pressure Fittings
DivisionPolymer Hose Division Europe
KonfigurationHose to Port
TechnologieFluid & Gas Handling
Maximaler Betriebsdruck420 bar
FormStraight
AnschlusstypDKOS
Erfüllte SpezifikationenISO 12151-2-SWS-S
Größe Anschluss 2M42x2
Connection Length47 mm (see Drawing legend B)