1C9NX-25-12

Metric female swivel 24° with O-ring
Verfügbarkeit: Bestellartikel
Artikelnummer: 1016166
Lieferzeit: sofort
47,68 €
exklusive Versand
Produktspezifikation
AttributbezeichnungAttributwert
Schlauch I.D. (mm)19
Gewindemass Anschluss (mm)36x2
Gewindemass Anschluss (Zoll)
Rohraußendurchmesser25 mm
Anschluss 1 TypHose
GehäusematerialGalvanised steel
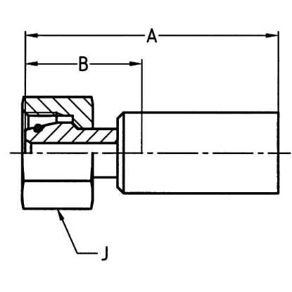
Fitting Length96 mm (see Drawing legend A)
Drop Lengthn/a
MarkeParker
IndustrieIndustrial Manufacturing Equipment
Sechskantgröße46 mm (see Drawing legend J)
Schlauch-Nenninnendurchmesser19
KonfigurationHose to Port
ProdukttypUltra-High Pressure Fittings
BeschichtungChromium 6 Free-plated
DivisionPolymer Hose Division Europe
TechnologieFluid & Gas Handling
Maximaler Betriebsdruck420 bar
FormStraight
AnschlusstypDKOS
Erfüllte SpezifikationenISO 12151-2-SWS-S
Größe Anschluss 2M36x2
Connection Length45 mm (see Drawing legend B)