1C9NX-14-06

Metric female swivel 24° with O-ring
Verfügbarkeit: Bestellartikel
Artikelnummer: 1016163
Lieferzeit: 19 Tage
20,41 €
exklusive Versand
Produktspezifikation
AttributbezeichnungAttributwert
Schlauch I.D. (mm)9.5
Gewindemass Anschluss (mm)22x1.5
Gewindemass Anschluss (Zoll)
Schlauch-Nenninnendurchmesser10
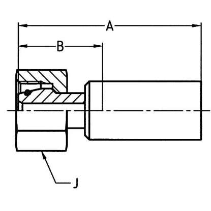
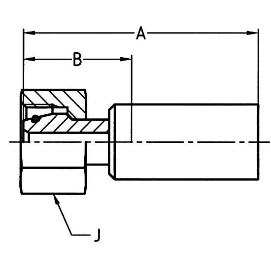
Fitting Length71 mm (see Drawing legend A)
Anschluss 1 TypHose
GehäusematerialGalvanised steel
Rohraußendurchmessern/a
Sechskantgröße27 mm (see Drawing legend J)
IndustrieIndustrial Manufacturing Equipment
Drop Lengthn/a
MarkeParker
TechnologieFluid & Gas Handling
ProdukttypUltra-High Pressure Fittings
BeschichtungChromium 6 Free-plated
KonfigurationHose to Port
DivisionPolymer Hose Division Europe
Maximaler Betriebsdruck630 bar
FormStraight
AnschlusstypDKOS
Erfüllte SpezifikationenISO 12151-2-SWS-S
Größe Anschluss 2M22x1.5
Connection Length30 mm (see Drawing legend B)