1C9NX-10-04

Verfügbarkeit: 10 Stk. lagernd
Artikelnummer: 2011416
Lieferzeit: 10 Tage
14,79 €
exklusive Versand
Produktspezifikation
AttributbezeichnungAttributwert
Schlauch I.D. (mm)6.4
Gewindemass Anschluss (mm)18x1.5
Gewindemass Anschluss (Zoll)
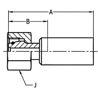
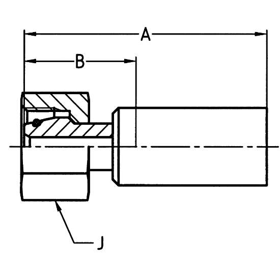
Fitting Length65 mm (see Drawing legend A)
Anschluss 1 TypHose
Rohraußendurchmesser10 mm
Sechskantgröße22 mm (see Drawing legend J)
GehäusematerialGalvanised steel
Drop Lengthn/a
Schlauch-Nenninnendurchmesser6
MarkeParker
IndustrieIndustrial Manufacturing Equipment
DivisionPolymer Hose Division Europe
ProdukttypUltra-High Pressure Fittings
BeschichtungChromium 6 Free-plated
TechnologieFluid & Gas Handling
KonfigurationHose to Port
Maximaler Betriebsdruck630 bar
FormStraight
AnschlusstypDKOS
Erfüllte SpezifikationenISO 12151-2-SWS-S
Größe Anschluss 2M18x1.5
Connection Length33 mm (see Drawing legend B)