192NX-8-08

BSP female swivel 60° cone
Verfügbarkeit: Bestellartikel
Artikelnummer: 1015433
Lieferzeit: 19 Tage
23,47 €
exklusive Versand
Produktspezifikation
AttributbezeichnungAttributwert
Gewindemass Anschluss (Zoll)1/2
Gewindemass Anschluss (mm)
Schlauch I.D. (mm)12.7
IndustrieIndustrial Manufacturing Equipment
GehäusematerialGalvanised steel
Drop Lengthn/a
MarkeParker
Schlauch-Nenninnendurchmesser12
Anschluss 1 TypHose
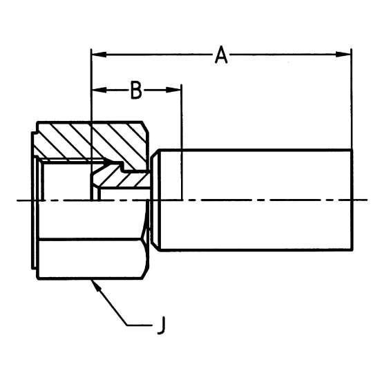
Fitting Length63 mm (see Drawing legend A)
Sechskantgröße27 mm (see Drawing legend J)
BeschichtungChromium 6 Free-plated
KonfigurationHose to Port
ProdukttypUltra-High Pressure Fittings
DivisionPolymer Hose Division Europe
TechnologieFluid & Gas Handling
Maximaler Betriebsdruck430 bar
FormStraight
AnschlusstypDKR
Erfüllte SpezifikationenBS 5200-A
Rohraußendurchmessern/a
Größe Anschluss 21/2x14
Connection Length20 mm (see Drawing legend B)