192NX-6-05

BSP female swivel 60° cone
Verfügbarkeit: Bestellartikel
Artikelnummer: 1015429
Lieferzeit: 45 Tage
29,40 €
exklusive Versand
Produktspezifikation
AttributbezeichnungAttributwert
Gewindemass Anschluss (Zoll)3/8
Gewindemass Anschluss (mm)
Schlauch I.D. (mm)7.9
MarkeParker
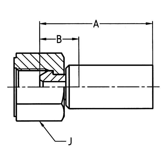
Fitting Length52 mm (see Drawing legend A)
GehäusematerialGalvanised steel
IndustrieIndustrial Manufacturing Equipment
Sechskantgröße22 mm (see Drawing legend J)
Schlauch-Nenninnendurchmesser8
Anschluss 1 TypHose
Drop Lengthn/a
KonfigurationHose to Port
DivisionPolymer Hose Division Europe
BeschichtungChromium 6 Free-plated
TechnologieFluid & Gas Handling
ProdukttypUltra-High Pressure Fittings
Maximaler Betriebsdruck550 bar
FormStraight
AnschlusstypDKR
Erfüllte SpezifikationenBS 5200-A
Rohraußendurchmessern/a
Größe Anschluss 23/8x19
Connection Length18 mm (see Drawing legend B)