192NX-20-16

BSP female swivel 60° cone
Verfügbarkeit: Bestellartikel
Artikelnummer: 1015441
Lieferzeit: 19 Tage
88,41 €
exklusive Versand
Produktspezifikation
AttributbezeichnungAttributwert
Gewindemass Anschluss (Zoll)1/4
Gewindemass Anschluss (mm)
Schlauch I.D. (mm)25.4
Anschluss 1 TypHose
IndustrieIndustrial Manufacturing Equipment
MarkeParker
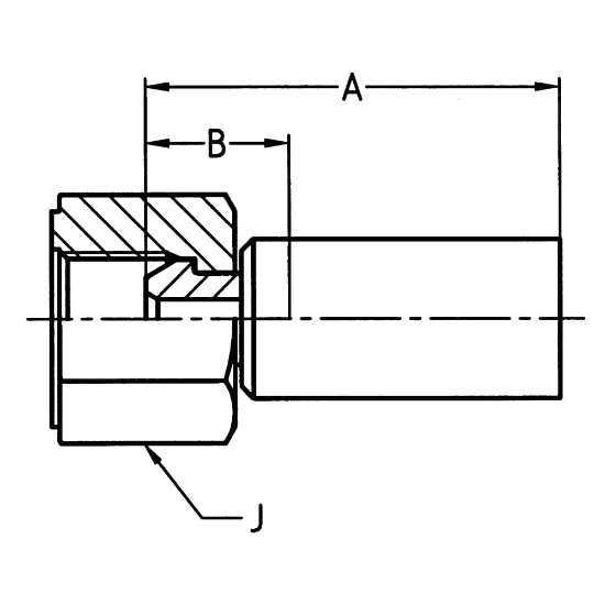
Fitting Length77 mm (see Drawing legend A)
Sechskantgröße50 mm (see Drawing legend J)
Schlauch-Nenninnendurchmesser25
GehäusematerialGalvanised steel
Drop Lengthn/a
KonfigurationHose to Port
BeschichtungChromium 6 Free-plated
TechnologieFluid & Gas Handling
DivisionPolymer Hose Division Europe
ProdukttypUltra-High Pressure Fittings
FormStraight
AnschlusstypDKR
Erfüllte SpezifikationenBS 5200-A
Rohraußendurchmessern/a
Maximaler Betriebsdruck25.0 MPa
Größe Anschluss 21-1/4x11
Connection Length26 mm (see Drawing legend B)