192NX-16-16

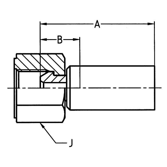
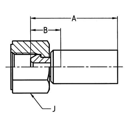
BSP female swivel 60° cone
Verfügbarkeit: Bestellartikel
Artikelnummer: 1015440
Lieferzeit: 30 Tage
92,54 €
exklusive Versand
Produktspezifikation
AttributbezeichnungAttributwert
Gewindemass Anschluss (mm)
Schlauch I.D. (mm)25.4
Gewindemass Anschluss (Zoll)1
Anschluss 1 TypHose
Sechskantgröße41 mm (see Drawing legend J)
Fitting Length87 mm (see Drawing legend A)
Schlauch-Nenninnendurchmesser25
MarkeParker
Drop Lengthn/a
GehäusematerialGalvanised steel
IndustrieIndustrial Manufacturing Equipment
KonfigurationHose to Port
DivisionPolymer Hose Division Europe
ProdukttypUltra-High Pressure Fittings
TechnologieFluid & Gas Handling
BeschichtungChromium 6 Free-plated
Maximaler Betriebsdruck420 bar
FormStraight
AnschlusstypDKR
Erfüllte SpezifikationenBS 5200-A
Rohraußendurchmessern/a
Größe Anschluss 21x11
Connection Length27 mm (see Drawing legend B)