192NX-16-12

BSP female swivel 60° cone
Verfügbarkeit: Bestellartikel
Artikelnummer: 1015438
Lieferzeit: 26 Tage
64,89 €
exklusive Versand
Produktspezifikation
AttributbezeichnungAttributwert
Schlauch I.D. (mm)19
Gewindemass Anschluss (mm)
Gewindemass Anschluss (Zoll)1
Anschluss 1 TypHose
Schlauch-Nenninnendurchmesser19
MarkeParker
IndustrieIndustrial Manufacturing Equipment
GehäusematerialGalvanised steel
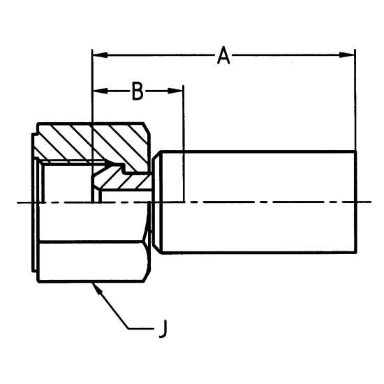
Sechskantgröße41 mm (see Drawing legend J)
Drop Lengthn/a
Fitting Length77 mm (see Drawing legend A)
KonfigurationHose to Port
ProdukttypUltra-High Pressure Fittings
DivisionPolymer Hose Division Europe
BeschichtungChromium 6 Free-plated
TechnologieFluid & Gas Handling
Maximaler Betriebsdruck420 bar
FormStraight
AnschlusstypDKR
Erfüllte SpezifikationenBS 5200-A
Rohraußendurchmessern/a
Größe Anschluss 21x11
Connection Length26 mm (see Drawing legend B)