11CNX-30-16

Metric female swivel 24° with O-ring
Verfügbarkeit: Bestellartikel
Artikelnummer: 1013532
Lieferzeit: 55 Tage
128,31 €
exklusive Versand
Produktspezifikation
AttributbezeichnungAttributwert
Schlauch I.D. (mm)25.4
Gewindemass Anschluss (mm)42x2
Gewindemass Anschluss (Zoll)
GehäusematerialGalvanised steel
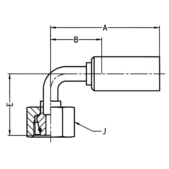
Fitting Length116 mm (see Drawing legend A)
IndustrieIndustrial Manufacturing Equipment
Sechskantgröße50 mm (see Drawing legend J)
Anschluss 1 TypHose
MarkeParker
Drop Length76 mm (see drawing Legend E)
Schlauch-Nenninnendurchmesser25
ProdukttypUltra-High Pressure Fittings
DivisionPolymer Hose Division Europe
KonfigurationHose to Port
BeschichtungChromium 6 Free-plated
TechnologieFluid & Gas Handling
FormElbow 90°
AnschlusstypDKOS
Erfüllte SpezifikationenISO 12151-2-SWE-S
Rohraußendurchmesser30 mm
Größe Anschluss 2M42x2
Connection Length65 mm (see Drawing legend B)