11C9X-12-06

DN 10, Size 6, M20x15, 12-S, 90° VZ
Verfügbarkeit: 10 Stk. lagernd
Artikelnummer: 2068580
Lieferzeit: sofort
100,07 €
exklusive Versand
Produktspezifikation
AttributbezeichnungAttributwert
FormElbow 90°
Anschluss 2 TypFemale, Metric S, Swivel (24° Cone with O-Ring)
Größe Anschluss 2M20x1.5
Maximaler Betriebsdruck (MPa)63
Schlauch I.D. (mm)9.5
ProdukttypUltra-High Pressure Fittings
MarkeParker
Anschluss 1 TypHose
IndustrieIndustrial Manufacturing Equipment
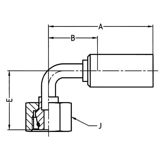
Fitting Length75 mm (see drawing Legend A)
GehäusematerialGalvanised steel
Schlauch-Nenninnendurchmesser10
TechnologieFluid & Gas Handling
DivisionPolymer Hose Division Europe
BeschichtungChromium 6 Free-plated
KonfigurationHose to Port
Sechskantgröße24 mm (see drawing Legend J)
Drop Length36 mm (see drawing Legend E)
FormElbow 90°
AnschlusstypDKOS
Rohraußendurchmesser12 mm
Erfüllte SpezifikationenISO 12151-2-SWE-S
Größe Anschluss 2M20x1.5
Connection Length30 mm (see drawing Legend B)