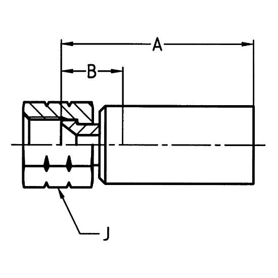
106NX-5-04

SAE (JIC) 37° female swivel
Verfügbarkeit: Bestellartikel
Artikelnummer: 1012692
Lieferzeit: 19 Tage
25,81 €
exklusive Versand
Produktspezifikation
AttributbezeichnungAttributwert
Gewindemass Anschluss (Zoll)1/2 - 20
Gewindemass Anschluss (mm)
Schlauch I.D. (mm)6.4
Anschluss 1 TypHose
Schlauch-Nenninnendurchmesser6
Drop Lengthn/a
MarkeParker
IndustrieIndustrial Manufacturing Equipment
GehäusematerialGalvanised steel
Sechskantgröße19 mm (see Drawing legend J)
Fitting Length55 mm (see Drawing legend A)
DivisionPolymer Hose Division Europe
KonfigurationHose to Port
BeschichtungChromium 6 Free-plated
TechnologieFluid & Gas Handling
ProdukttypUltra-High Pressure Fittings
Maximaler Betriebsdruck410 bar
FormStraight
AnschlusstypDKJ
Erfüllte SpezifikationenISO12151-5-SWS
Rohraußendurchmessern/a
Größe Anschluss 21/2x20
Connection Length23 mm (see Drawing legend B)